FH27LB
Electric latching Relay
Feature Description
● 100A switching capability
● Single coil and double coils are available
● Optional auxiliary contact,the status of synchronous or asynchronous contact with the load end is optional
● External accessories can be customized according to user's requirements
● Surge voltage(1.2/50μs):between contact and coil 12KV
● Meets the PV Testing Standards of VDE0126
● Environment-friendly product(RoHS compliant)
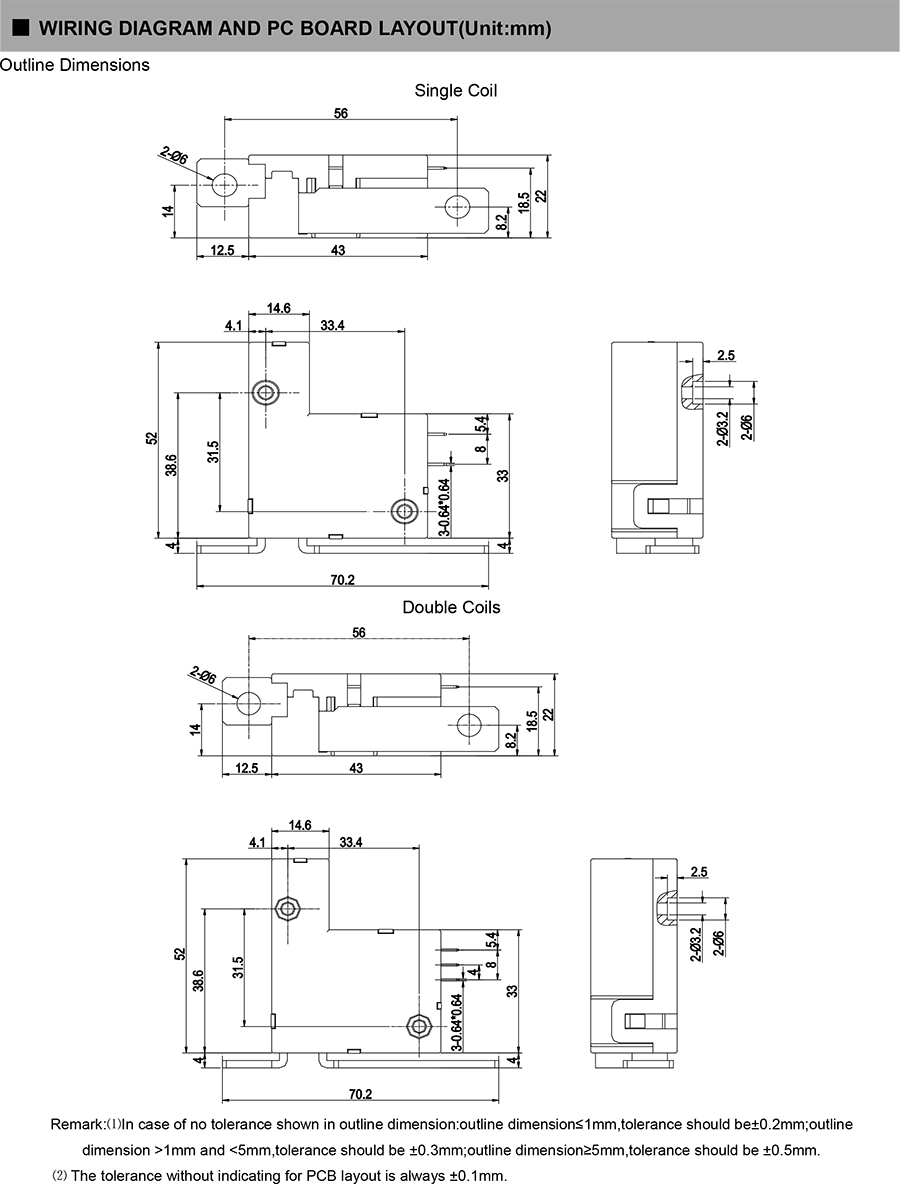
● Outline Dimensions:(52.0×43.0×22.0)mm
● Main application: smart meter, compound switch, Smart home, new energy
Product Description
Download PDF




